Structural Steel Detailing Specialist
Precision in Steel: Structural Steel Detailing Services for Robust and Reliable Construction Solutions.
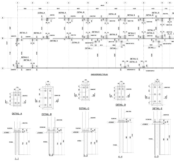
DevelopCAD's structural steel detailing services bring to life the visions of the owners, architects, and builders, providing solutions that meet a project’s specific schedule, cost, and/or complexity challenges. We are steel detailing service providers offering structural steel detailing services, structural steel drafting, and steel shop drawings services, combining our outstanding steel detailing experience in designing varying foundations and framing systems with a set of specialized skills in large-span structures, heavy roofing loads, overhead cranes, seismic bracing, historic restorations, and building expansions.
Our structure steel detailing includes:
- Structural Feasibility Studies
- Structural Engineering Design
- Structural Renovation
- Equipment Support and Anchorage
- structural steel detailing
- Steel detailing services
- Structural steel detailing service
- Steel detailing drawings
- Steel structural detailing
For more information on our Structure Steel Detailing services, write to us at info@developcad.com
Thank you for providing the final coordination files and sheeted-up drawings in such a short timeframe. We had already commenced the construction phase, and it would have been a great loss if the areas had not been coordinated.
Our team can confirm that the final issue of Site Views A, B, and C meets our required standards for layout, resolution, and quality.
Impressive work! The drafts are good and match our company standards. We are comfortable outsourcing all of our future CAD requirements to DevelopCAD.
The BIM model that was submitted for our commercial project was fantastic. My team is currently reviewing the bill of quantities that was also submitted, and we are pleased to inform you that we approve of the work that was done. We are looking forward to moving ahead with the project and hope that it will be as smooth and efficient as the previous one.

